Turn manuals into instant answers
with your AI-powered assistantTurn manuals into instant answers
with your AI-powered assistant
Get instant access to all the maintenance information you need. Empower technicians to perform preventive maintenance with asset packages, ready to use right out of the box.
Find all the essential guides in one place.
Tensioning Guide
Belt-diagram
C-120 pulleys
+ 13 more
Pre-built workflows to keep your asset running smoothly.
Daily Electrical System Inspection
Replace Roller and Pulley
Install Engine B-120
+ 29 more
Integrate maintenance plans directly into your work orders.
Motion Industries
Applied Industrial Technologies
Electrical Brothers
+ 5 more
Access the parts list for your equipment in MaintainX.
Drive Motor
B2 Rollers
Tensioning System
+ 40 more

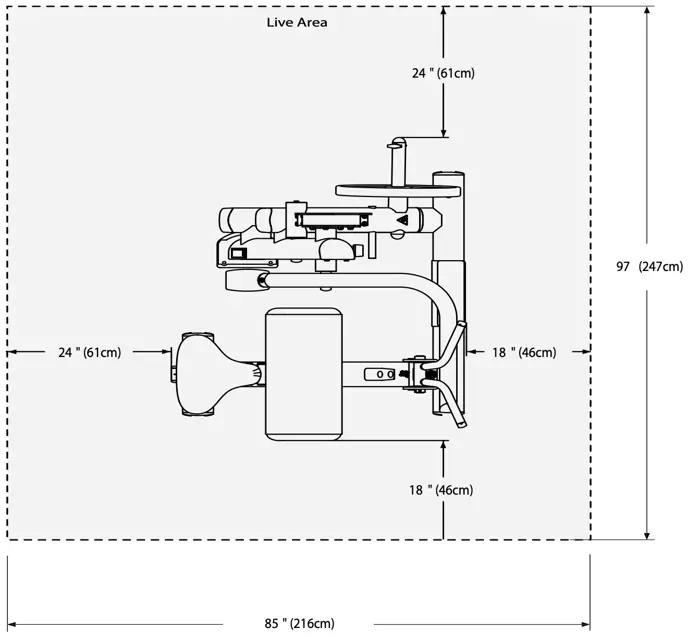
Life Fitness Signature Series Plate Loaded Biceps Curl SPLBC
Create an account to install this asset package.
Integrate maintenance plans directly into your work orders in MaintainX.
1 Weekly Training Machine Maintenance
Inspect Hardware. Check for loosening. Tighten as required.
Frames. Inspect for wear and damage.
Handgrips. Check for wear and damage.
Visually inspect all hardware for loosening, tampering or wear.
Inspect all accessories, connecting links, and carabiner clips for wear.
Check condition of hand grips.
Check for belt stretch on SPLBC and adjust as necessary by loosening the belt clamp on top of the lower movement arm, then pulling loose end of belt to tighten. Tighten belt clamp down.
Sign off on the machine maintenance
1 Monthly Training Machine Maintenance
Inspect for paint chips
Fill in paint chips with Life Fitness touch-up paint
Clean Guide Rods with a cotton cloth
Inspect hardware on all machines
Tighten any bolts or nuts that may have loosened over the life of the product
NOTES
Use polishing compound (such as car wax) and remove shoe scuffs from powder coated surfaces as necessary
MINIMIZE SCRATCHES
Wash the unit with approved or compatible cleaners using a clean sponge or a soft cloth
1 Daily Training Machine Maintenance
Clean Upholstery with an approved or compatible cleaner
Inspect Belts. Look for wear or damage and proper tension. Pay close attention at bends and attachment points
Wipe down upholstery with a mild soap and water or comparable all purpose cleaner
Visually inspect belts for wear at and around connections and along the entire length of the belt. Always replace at first sign of wear
NOTES
Use polishing compound (such as car wax) and remove shoe scuffs from powder coated surfaces as necessary
Wash the unit with approved or compatible cleaners using a clean sponge or a soft cloth
Rinse well with clean water. Dry thoroughly with a chamois or moist cellulose sponge to prevent water spots
Fresh paint splashes, grease and smeared glazing compounds can be removed easily before drying by rubbing lightly with isopropyl alcohol
Training Machine Maintenance
Cleaning Frames
Clean Frames with a standard, non-abrasive, wax finish
Waxing Hand Grips
Wax Hand Grips with an approved or compatible cleaner
Notes
Use polishing compound (such as car wax) and remove shoe scuffs from powder coated surfaces as necessary
Minimize Scratches
Wash the unit with approved or compatible cleaners using a clean sponge or a soft cloth
Rinse well with clean water
MaintainX CoPilot is your expert colleague, on call 24/7, helping your team find the answers they need to keep equipment running.
Reduce Unplanned Downtime
Ensure your team follows consistent procedures to minimize equipment failures and costly delays.
Maximize Asset Availability
Keep your assets running longer and more reliably, with standardized maintenance workflows from OEM manuals.
Lower Maintenance Costs
Turn any technician into an expert to streamline operations, maintain more assets, and reduce overall costs.
Thousands of companies manage their assets with MaintainX













